防水透气膜
产品特点
应用:
携带式电子产品(手机、数码相机、GPS卫星导航、智能手表等)
·--电信设备(无线网络基地台、监视器)
·--家用电器(手持式升温设备、刮胡刀)
·--汽车装置(TPMS胎压侦测器、车灯、ECU、倒车雷达、盲点侦测)
·--照明灯具
·--喇叭、麦克风
特点和优势:
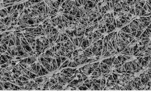
KBK-015该材料具有独特的纳米孔洞结构,表面光滑不吸附,材料的其中一面含高黏性背胶,可黏附在各种产品表面,保护防水透气膜不与水、灰尘、盐分、腐蚀性液体等污染物接触,使防水透气膜暴露于恶劣气候环境中依然能具有可靠的性能。其防水防尘安全等级更可满足IP65、
IP66、IP67和IP68的标准,也可耐受极端温度及紫外线照射。
KBK015防水透气膜用于密闭壳体内时,可释放高压气体以平衡壳体内外压力,使罩壳内壁不易形成水珠;E-PTFE防尘透气膜用于电池产品时,亦可有效防止电池反应所释出之有害气体积聚。除了上述特性之外,我们也可依据客户的需求来定制不同的防水透气膜产品。
